
狭い家でもあり、モノを作る時は小さくする様に心がけてはいる。
ある日友人に、
「SMD(表面実装部品)を使っても、あまり小さくならない。」
と、ぼやいたら、
「基板(PCB)を使うからだよ!空中配線なら最少にできるさ。」
と、あっさり言われ、目からウロコ…
早速前から欲しいと思っていたバッテリーチェッカーを作ってみることにした。
これが昇圧回路。
有名なHT7733Aを使用。電池の電圧から3.3Vを作成する。
数点の部品だけでできるので、空中配線には最適だ。
配線して、動作確認後、ホットメルトで固めたので、中は見えなくなってしまった。
安くて小型のデジタル電圧計が出回っている。
便利なので、僕も時々愛用させてもらっています。
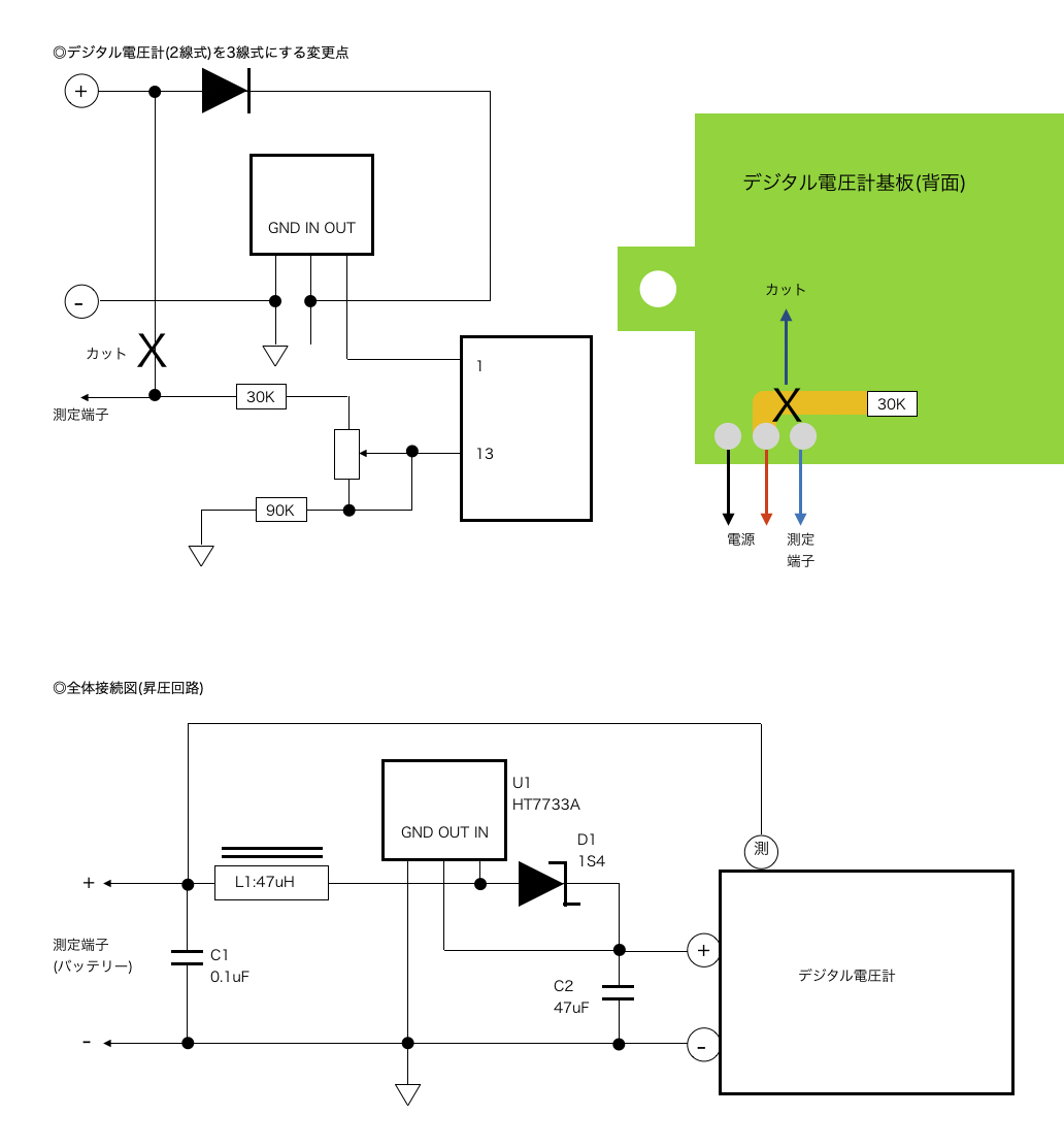
ただ、今回はバッテリーチェッカーが目的なので、低い電圧(1V以下から)を測りたかった。くだんの電圧計は回路を動作させるためにどうしても3V程度の電圧が必要になる。
そこで、昇圧回路を追加して電圧計は3Vで動作させ、低い電池の電圧を測ることができるようにした。
そのためにはまず、2線式→3線式改造が必要なのだ。
改造と言っても、やることは簡単で、入力の信号を一カ所切断して、昇圧回路を繋ぐだけだ。
具体的な方法は、下の回路図からご覧ください。
ただし、電圧計はいくらかのバリエーションがあって、改造方法もそれぞれに異なる。今回使ったのは中華製の廉価版(@110円位)のものだ。