
今までマイクロキャットは「自立走行」と、言いながら勝手に走るだけだった。
これをリモコンロボットに改造したのが5号だ。
と言っても、ただリモコンで動かすだけでは無く、4号までで培った障害回避・落下防止の機能も搭載した上でのコントロールだ。
リモコンには赤外線リモコンを使った。赤外線レシーバーは以前にも何回か使って、実績もあったしハードウェア的に簡単に実装できることが分かっていたからだった。
ただし、今回はハマってしまった。シミュレーションでは動作するのだが、実機に載せると暴走してしまう。
原因が分からず、しばらく放置してあったのだ。
実機をオシロスコープで波形を見てみてやっと分かった。赤外線レシーバーは結構ノイズに弱いのだ。高倍率のアナログアンプを内蔵しているので当然と言えば当然だが、電源のスイッチングのイズがその原因だった。
詳しくは下記を参照してください。
まずは全体の外観から。
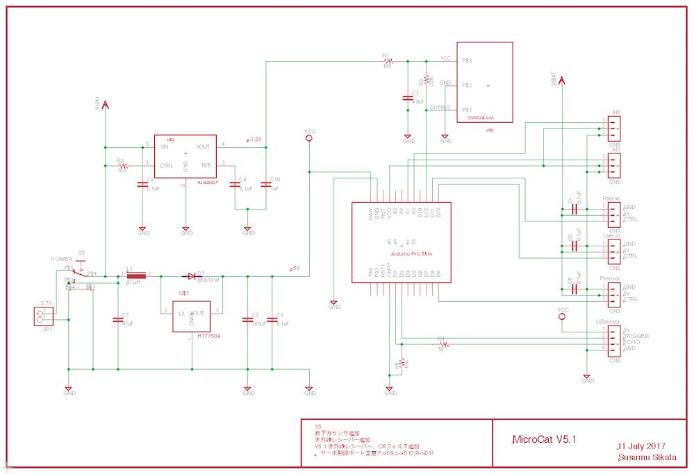
赤外線レシーバーを搭載するためまた基板を新しくした。
その他に、4号で採用した前下方を見る赤外線反射型センサーをリニューアル。
実は前回搭載したセンサは、前方に赤外線を出してその反射を拾う方式だった。オペアンプ内蔵でレベルの調整もできるので、良いなと思ったのだが、マイクロキャットにはあまりうまく実装できていなかった。今回は反射型センサーを組み込んだコンパクトな白黒センサを入手したので、これに変更した。これで、感度の調整とか面倒な作業から解放された。
左側面。
基板上には、CPUの他に、5V昇圧用のインダクタと赤外線レシーバーが見える。
今回使用したのは、"OSRB38C9AA"と言うIC。ノイズに悩まされていたので、金属ケースでシールドされているところに惹かれて採用した。
上が赤外線レシーバーの出力、下がHT7733のスイッチング波形。
下のスイッチングノイズを増幅して、リモコン信号を出していることが分かるだろうか。
デバッグ時はUSBから電源を供給していたこともあって、これになかなか気がつかなかった。
元よりデジタル回路はこの程度のノイズは平気なのだから。
当初のマイクロキャットの波形。
赤外線レシーバーの電源と、デジタル回路の電源を共通にしていた時。
こちらも上と同様にCH1(黄色)が赤外線レシーバーの出力。CH2(水色)がVcc(電源)の波形。
電源に乗ったスイッチングノイズに合わせてレシーバー出力が出ていた。
上のオシロスコープの画像を見て貰うと分かると思うが、ともかくノイズに泣かされたのがこの5号だった。
電源は3.7VのLi-Po電池なので、CPUと超音波センサー用に5Vに昇圧する回路と赤外線レシーバーのために低ノイズ型のレギュレーター「NJM2863」で3.3Vに変換する2つの電源を搭載することになってしまった。
実際は、CPUの中に5V→3.3Vの3端子レギュレータがもう一つあるので、都合3つの電源が実装されていることになる。
従って今回のマイクロキャット5号は、モーター用に3.7V、制御用に3.3Vが2系統、超音波センサーのために5Vが一系統と、都合4つの電源で動作すると言う贅沢な構成になった。